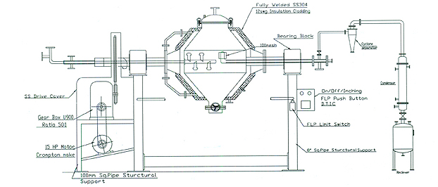
Ace Industries (India) Pvt. Ltd. is a leading manufacturer and supplier of high-quality ROTOCONE VACUUM DRYER (RCVD) in India
Roto Cone Vacuum Dryer is suitable for drying of materials which cannot resist high temperature, materials which are easily oxidized, volatile materials which should be retrieved, materials that are strong irritants and poisonous in nature. The Roto Cone Dryer with improved technology integrates during operation under vacuum. The Roto Cone Dryer facilitates enhanced drying efficiency, low temperature operation and economy of process by total solvent recovery. It helps cGMP base working by achieving optimum dust control, while offering advantages of efficient charging and discharging of materials.
The drying unit equipped with lump breakers initially breaks large lumps and subsequently powders them (in a single cone). The rotary action of the dryer together with mechanical action of the breakers cuts down drying time and gives a lump-free product.
Introducing ACE Industries' Rotocone Vacuum Dryer (RCVD), a cutting-edge solution for efficient and gentle drying of heat-sensitive materials in the pharmaceutical, chemical, and food industries.
Key Features:
ď‚·Reduced Drying Time: The RCVD's design ensures uniform material shuffling over the heated contact surface, significantly decreasing drying durations.
Elimination of Re-drying: Equipped with lump breakers, the dryer prevents the formation of lumps, delivering a consistent, dry product without the need for additional drying cycles.
Enhanced Product Purity: The easy-to-clean internal surfaces maintain product integrity, ensuring high purity levels suitable for stringent industry standards.
Optimal Vacuum Maintenance: Designed for continuous vacuum maintenance throughout the process, the RCVD facilitates low-temperature operations, ideal for drying materials that are easily oxidized or volatile.
Uniform Drying: The rotary action ensures even distribution of materials, resulting in uniform drying and preventing hotspots.
Salient Features:
Construction: Inner shell and contact parts crafted from SS 316, with steam/hot water jacket in SS 304, ensuring durability and compliance with GMP standards.
Safety Measures: Equipped with a dry mechanical seal for vacuum and water sides, FLP motor, and control panel, along with safety guards and interlocking systems to ensure safe operation.
Advanced Controls: Features digital temperature indicators and controllers, vacuum gauges, and optional VFD for drive motor with RPM indicator for precise process control.
Optional Accessories :
Lump Breakers: For breaking large lumps and achieving a lump-free product.
Nitrogen Purging Arrangement: To prevent oxidation of sensitive materials during the drying process.
Vacuum Loading System: For efficient loading of wet materials into the cone.
Applications:
The Rotocone Vacuum Dryer is ideal for drying:
Heat-sensitive materials that cannot withstand high temperatures.
Materials prone to oxidation or those that are volatile and require solvent recovery.
Irritant and toxic substances, ensuring safe handling and processing.